In the dynamic industry of medical technology, innovation, adaptability, and efficiency have become key factors. In this context, programmable mixed-signal devices can be considered as a useful resource for innovative developments in medical applications. This article delves into the characteristics of both GreenPAK and AnalogPAK (by Renesas), focusing on their individual capabilities and the embedded resources that can be fully leveraged for medical device design.
Both of these programmable mixed-signal ICs integrate highly configurable analog and digital components in their different variants, where it can be mentioned analog comparators (ACMPs), operational amplifiers (OPAMPs), PWM modules, rheostats, look-up tables (LUTs), clocks, counter/delays, DFFs, asynchronous state machines (ASM) etc.
In most cases, both are considered cost-effective non-volatile memory (NVM) configurable hardware devices that allow users to configure both analog and digital functions, enabling processing of mixed signal inputs by performing analog signal conditioning, digital signal processing, and mixed-signal interfacing tasks. In this way, many system functions can be integrated in a single custom circuit, minimizing component count, board space, and power consumption.
As medical devices grow in complexity, the imperative for programmable solutions and precise analog signal processing with reduced power consumption and in a highly efficient de sign becomes increasingly crucial. Thus, both mixed-signal ICs play a key role in overcoming challenges related to customization and analog functionality.
AnalogPAK and GreenPAK for Medical
Both devices are, at their essence, highly programmable de vices that allow them to be implemented in applications for different industries and technologies. With a versatile architecture that allows users to configure their functionality according to specific needs, they stand as viable options for medical applications because of its adaptability.
The advantages extend beyond mere programmability, seamlessly integrating analog and digital elements. Because they are designed for mixed-signal applications, their programmable matrices can be thought of as a bridge between analog and digital applications, providing a cost-effective solution for applications that demand sophisticated process ing resources for both signal types. This bridge can be implemented due to the availability of both analog and digital peripherals integrated into the ICs that allow the combination of analog and digital processing. Table 1 shows the resources of some of the ICs.
Their flexibility and configurability make them suitable for a wide range of applications. Specifically, analog acquisition and conditioning combined with digital processing and control are invaluable capabilities in medical devices that require a combination of different types of signals.
For medical devices, energy efficiency is non-negotiable. GreenPAK’s low power consumption becomes a key factor for devices where battery life is critical. This is the case for energy-sensitive medical devices, where reliability must be ensured while minimizing the need for frequent battery replacement.
If more analog features are required, AnalogPAK ICs emerge as the most suitable option for precision analog signal processing. Their capabilities in handling analog signals with accuracy and reliability make them an interesting solution for applications where complex signals must be processed. The following identifies key resources and characteristics for medical applications:
- Sensors and actuators integration: medical applications are based on human body signals acquired with sensors (temperature, oxygen, ECG signals) and sometimes require actuators (motors, switches, buzzers). Both GreenPAK and Analog PAK variants include a variety of input and output interfaces.
- Signal processing: GreenPAK devices offer a variety of digital signal processing resources, such as LUTs, ASMs, and DFFs, which can also be combined with analog resources such as OPAMPs and PWMs so they can be used for mixed signal treatment applications.
- Low latency: because medical applications can require real-time control or monitoring, low-latency signal paths are mandatory. In this context, both mixed-signal ICs offer very low signal propagation delays.
- Security and reliability: medical applications must be secure and reliable. Because the analyzed devices do not have CPU cores and programmable firmware, they cannot be hacked.
- Low power consumption and small form factor: some medical devices can be battery powered or need to operate on low power to extend their operating period. In addition, portable medical devices must be power efficient. The GreenPAK family is very efficient in terms of power consumption, with typical idle current consumption in the order of microamps, and these ICs are available in small TQFN and MSTQFN packages. These factors make them suitable for such types of applications.
- Compatibility: because input and outputs of the ICs are digital or analog signals, including standardized protocols such as I2C or SPI, they are fully compatible with other components that are usually used in these applications.
Medical Applications
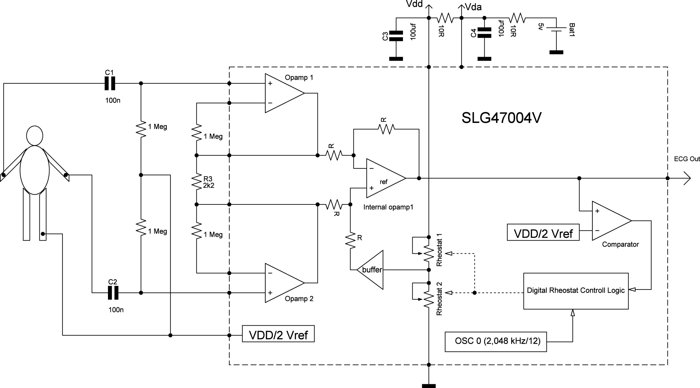
Vital Sign Monitoring System. The development and implementation of a vital sign monitoring system is based on measuring heart rate, temperature, blood pressure, and breathing rate. To do so, different sensors must be used, and analog signal conditioning must be implemented. Based on the capabilities described above, using both GreenPAK and AnalogPAK is a very interesting alternative for processing these signal types. This case also illustrates how they can be combined, taking advantage of their flexibility, programmability, and analog precision (see Figures 1 and 2).
More details about an aspect of this application can be found in the application notes “Analog Front End for Heart Rate Monitor” and “Analog Front End for Electrocardiogram Monitor” at the end of this article. They show how the heartrate can be measured, including different techniques to obtain the signal and an IC configuration to implement the analog front end.
For temperature and breathing rate, the analog input capabilities such as the ADCs can be applied to interface with sensors to measure temperature, and digital inputs and DFFs with timing blocks can be used for breathing rate measurement.
In the case of blood pressure sensing, programmable digital logic can be used to implement control algorithms. This can include managing inflation and deflation of the cuff, and the sequence for reading sensor values and determining blood pressure levels. The analog signals from the sensors can be conditioned and acquired with the OPAMPs and processed with analog comparators.
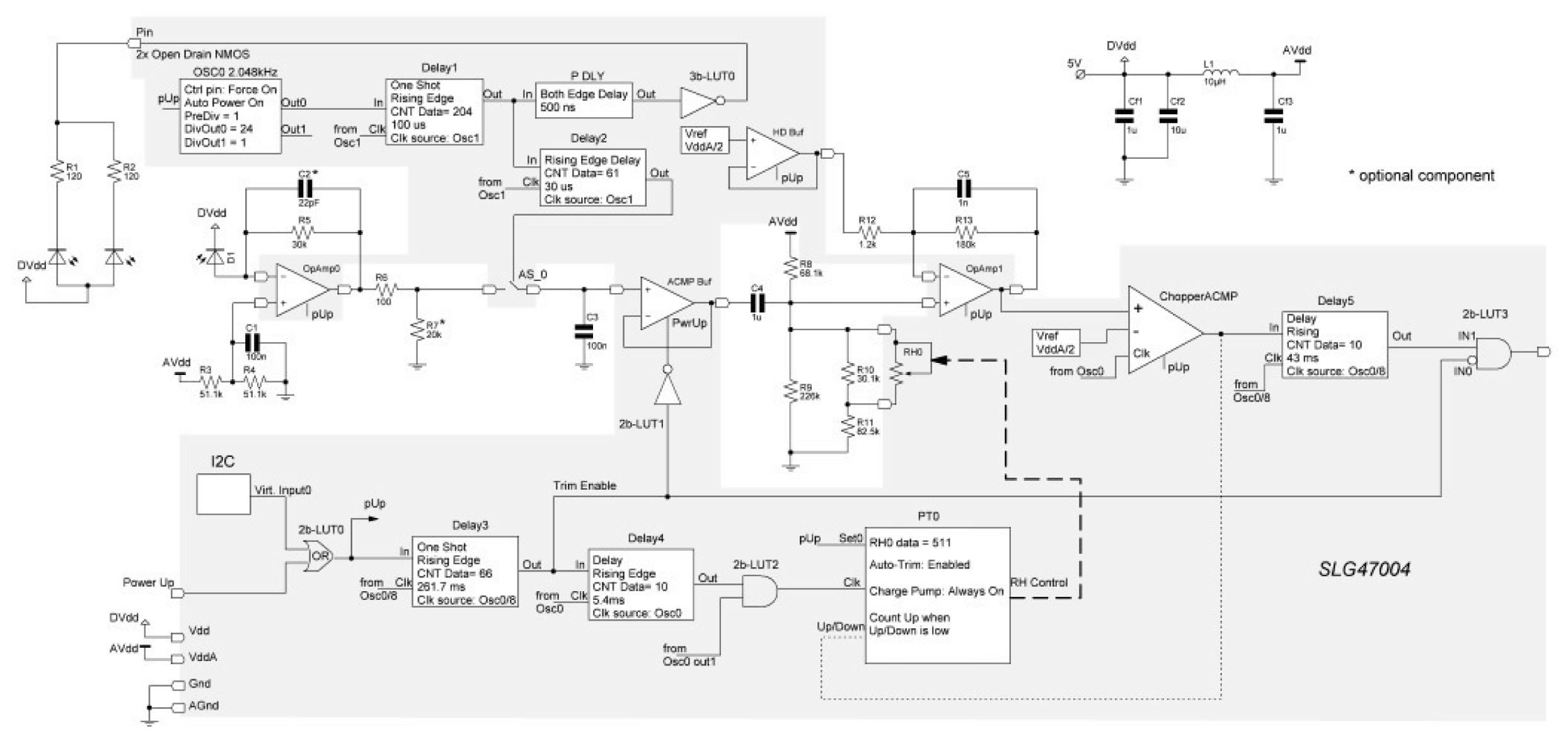
Glucose Sensor and Monitor. In this case, a glucose sensor and monitor device is analyzed. This application is usually designed as a portable device, powered by a rechargeable battery, playing an important role in controlling diabetic patient’s health. As a consequence, high efficiency in energy consumption is required. In this case, AnalogPAK can be used for both signal conditioning and measurement as well as signal processing and user interface. It has a highly efficient IC in terms of power consumption, both in processing state and in idle state (see Figure 3).
More details about this application can be found in the appli cation note “Customized Glucometer using GreenPAK” at the end of this article. It shows how a disposable test strip can be measured and analyzed with a GreenPAK IC, giving to the user the information about his glucose level.
Programmable Drug-Delivery Device. A programmable drug-delivery device must be able to deliver different medication regimens, with enhanced user safety and precise control over drug-delivery parameters. To do so, both ICs can be used for various functions, including digital logic to implement control algorithms for drug delivery such as sequencing the opening and closing of valves or controlling the operation of a pump based on the prescribed dosage. This task must be implemented with precise timing circuits where they can be used as programmable timers to ensure accurate and controlled drug release intervals.
Additionally, the OPAMPs and analog input capabilities can be applied to interface with sensors measuring parameters like drug levels, temperature, and pressure. Analog comparators and amplifiers can be configured to process sensor signals. Finally, the PWM blocks and their outputs can be used to control actuators such as pumps or valves. PWM can be employed to adjust the speed of a pump or the opening/closing duration of a valve, allowing precise control over drug delivery rates.
Conclusion
This article analyzed the capabilities, applications, and collaborative potential of Renesas’ GreenPAK and AnalogPAK in the continuous evolving field of medical technology. The programmability and analog resources of both ICs make them, either individually or in collaboration, as suitable technologies in medical device design.
This article was written by Pablo E. Leibovich, PhD Ing., De velopment Engineer, and Alberto I. Leibovich, Ing., Director of Development, at ADOM Ingenieria, La Palta, Argentina. The company specializes in design, development, and consulting in analog and digital electronic requirements.
Transcript
00:00:00 [Music] greenpack is dialog semiconductor's latest configurable mixed signal ic product platform it's a cost-effective multi-programmable nvm or non-volatile memory device which enables the integration of a broad range of analog discrete functionalities on a single chip minimizing component count board space and power consumption while
00:00:27 increasing system reliability by using dialogue's green pack designer software and a green pack development kit designers can very quickly and easily create and program their own custom ics which will be unique enhancing the security of their product design from malicious intent greenpack is great for implementing common system functions such as finite
00:00:50 state machines timing delays voltage monitoring and references comparators power switching power sequencing peripheral glue logic system reset and more an increasing number of companies all over the world are now implementing greenpack within their products because
00:01:10 it delivers these valuable differentiators smaller pcb footprint fewer components and lower cost faster design a complete and simulated ic prototype design within minutes and go to production in weeks lower power design flexibility allowing changes right to and even in the production line
00:01:37 with dialogue semiconductors greenpack designer development software engineers have a complete graphical design process requiring no programming language or compiler to configure program and test their custom green pack samples within just a few minutes so integrate that last analog functionality optimize your design
00:01:58 and go configure [Music]
Overview
The application note AN-CM-222, titled "Customized Glucometer using GreenPAK," outlines the development of a custom glucometer utilizing the GreenPAK SLG46580V and SLG88104V integrated circuits. The document emphasizes the importance of glucometers in managing diabetes by providing patients with a means to monitor their blood glucose levels effectively.
The introduction highlights the limitations of existing glucometer designs, which are often costly, bulky, and power-inefficient. The proposed design leverages an analog voltage signal generated by a blood droplet on a customized test strip to measure glucose levels. This signal is amplified and processed by the GreenPAK IC, which decodes the voltage and compares it against preset thresholds to determine glucose levels. The design is adaptable, allowing for modifications to threshold levels to accommodate different glucose ranges.
The hardware schematic section provides a visual representation of the glucometer's circuitry, detailing the use of a 7805 voltage regulator to convert a +12 V DC supply to +5 V. When a blood droplet is applied to the test strip, it creates a short circuit between the reference and counter electrodes, enabling the SLG88104V to function as a unity gain amplifier. The output voltage corresponds to the input voltage, facilitating accurate glucose level readings.
The document also includes timing diagrams and a comparison of the system's performance at various glucose levels, showcasing the analog comparator outputs for different glucose concentrations. This information is crucial for understanding how the glucometer interprets the voltage signals generated by the test strip.
In conclusion, the application note provides a detailed guide for developing a customized glucometer, emphasizing its potential benefits over traditional designs. It includes essential design files and encourages users to verify connections when implementing the design, as different test strips may have varying configurations. Overall, this document serves as a valuable resource for developers looking to create efficient and cost-effective glucometers using GreenPAK technology.




